Lave-linge BOSCH
BOSCH WKD28543FR (WKD 28543 FR)

Présentation du lave-linge BOSCH WKD28543FR

À PARTIR DE
VARIATIONS DU PRIX
NOTE SUR 10
Notre site
?
Non évalué
Marchands
?
Inconnu

À retenir du lave-linge séchant BOSCH WKD28543FR

  • Lave-linge séchant encastrable
  • Chargement frontal (Hublot)
  • Capacités de 7 kg (lavage) / 4 kg (séchage)
  • Vitesse d'essorage max de 1400 tr/min
  • Technologie : AutoDry
  • Confort : Fin différée
  • Niveau sonore max : A | 72 dB
  • Classe énergie : E | E
Pour vous aider à choisir votre Lave-linge : consultez le guide d'achat des Lave-linges.

Fiche Technique Electromenager-Compare* du BOSCH WKD28543FR

Introduction du lave-linge séchant BOSCH WKD28543FR

Désignation :
BOSCH WKD28543FR (WKD 28543 FR)
Date de sortie (approx.) :
Mai 2023

Pose, chargement, tambour, essorage du lave-linge séchant BOSCH WKD28543FR

Type de pose :
Encastrable (Habillage de porte non fourni)
Pieds :
Appareil avec pieds ajustables
Compléments d'informations :
Pieds arrières réglables à l'avant par système à cardan
Type de chargement :
Frontal
Type d'ouverture :
Hublot
Position des charnières : à gauche
Capacité de chargement :
7 kg (lavage)
4 kg (séchage)
Machine à laver équipée de la capacité variable automatique (ActiveWater)
Volume du tambour :
52 Litres
Vitesse d'essorage :
Entre 600 et 1400 tr/min (rpm)
Essorage à vitesse variable (manuellement) : 600 / 800 / 1000 / 1200 / 1400 tr/min (rpm)
Autres informations
tambour et cuve :
Vitesse d'essorage maximale du programme Eco 40-60 : 1355 tr/min

Lavage et programmes du lave-linge séchant BOSCH WKD28543FR

Technologie principale :
Variation de température :
Oui (thermostat variable manuellement)
Autres fonctionnalités :
Températures réglables : froid / 20° / 30° / 40° / 60° / 90°C
Programmes textiles :
Coton • Délicat / soie • Laine / lavage à la main • Synthétiques • Textiles sport
Programme éco. :
Eco 40-60
Programmes rapides :
Express 15 min • Mix rapide
Programmes spéciaux :
AllergiePlus • Mix Silence
Programmes cycles :
Essorage / vidange • Rinçage / essorage
Options de lavage :
Arrêt cuve pleine • Essorage

Séchage et programmes du lave-linge séchant BOSCH WKD28543FR

Programmes spéciaux :
Rinçage Peluches (Nettoyage cuve) • Séchage délicat • Séchage intensif
Option de séchage :
Séchage

Fonctions de confort du lave-linge séchant BOSCH WKD28543FR

Fonctions de confort :
Fin différée
Afficheur :
Afficheur LCD/Digital
Indicateurs et voyants :
Liste des indicateurs disponibles :
  • Indicateur de temps restant
  • Indicateur de fin de cycle sonore
  • Indicateur visuel de déroulement

Autres équipements et sécurités du lave-linge séchant BOSCH WKD28543FR

Sécurités :
Sécurité enfant
Anti-fuite tuyau (AquaStop)
Anti-balourd
Anti-mousse

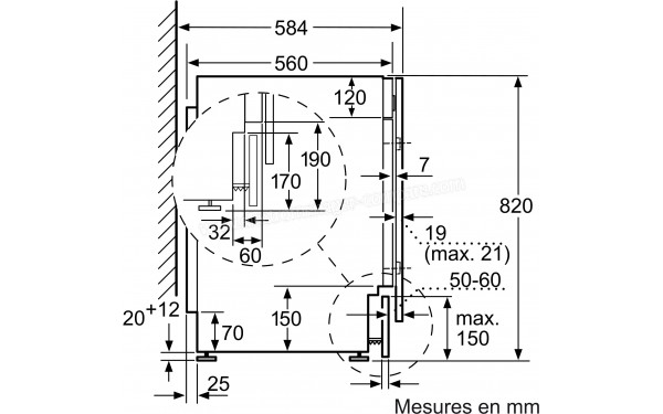
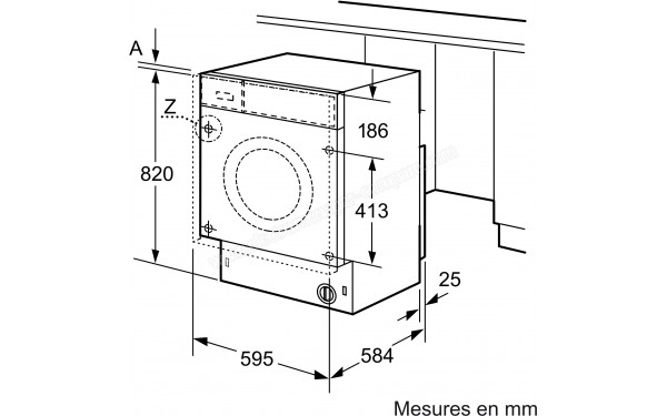
Dimensions et poids du lave-linge séchant BOSCH WKD28543FR

Dimensions déballé :
820 x 595 x 584 mm (HxLxP)
Poids déballé :
84.7 kg
Hauteur réglable :
sur 15 mm
Porte ouverte :
960 mm
Long. câble alimentation :
220 cm

Performances et consommations (depuis 2021) du lave-linge séchant BOSCH WKD28543FR

Coût Lavage pour 100 cycles :
38.47 € (approximatif)
Coût Lavage/Séchage pour 100 cycles :
96.44 € (approximatif)
Efficacité :
• Classe énergie Lavage/Essorage :
E (Indice : 89.8)
• Classe énergie avec Séchage :
E (Indice : 81.9)
• Classe efficacité Essorage :
B
• Taux d'humidité résiduelle :
52%
• Indice efficacité Lavage :
1.04
Consommations :
• Électrique (lavage) :
77 kWh / 100 Cycles
• Électrique (avec séchage) :
266 kWh / 100 Cycles
• Eau (lavage) :
44 Litres / 1 Cycle
• Eau (avec séchage) :
68 Litres / 1 Cycle
Durée d'un cycle :
• Lavage :
2 h 50 min
• Lavage et séchage :
5 h 30 min
Classe d'émission sonore :
A
Niveau sonore en essorage :
72 dB(A) re 1 pW
Informations :
A savoir pour ces mesures depuis 2021 :
  • Toutes les mesures sont désormais basées sur l'utilisation d'un programme dit "eco 40-60" (ou équivalent)
  • Les consommations électriques et d'eau utilisent le même programme, mais sont des moyennes pondérées de combinaisons de charges pleines et partielles.

Autres informations sur la consommation du lave-linge séchant BOSCH WKD28543FR

Conso. en veille (laissé sur marche) :
1 W
Conso. pendant le mode différé :
4 W
Conso. en mode arrêt (off) :
0.5 W
Plus d'informations :
Niveau sonore au lavage : 52 dB(A) re 1 pW

Informations diverses du lave-linge séchant BOSCH WKD28543FR

Design / Série :
Série 6
Couleurs :
Châssis : Blanc
Bandeau : Blanc
Hublot : Blanc
Référence (EAN et/ou UPC) :
WKD28543FR (4242005420889)

Présentation du lave-linge séchant BOSCH WKD28543FR par le constructeur/marque

Description :

Marchands et Prix* pour le BOSCH WKD28543FR

En stock, livré entre mardi 14/04 et jeudi 16/04
Livraison
(en pied de logement)
2 ans
P.M.O
1083.87 €
1083.87 €
port gratuit
En stock
Livré sous 3 à 5 jours ouvrés à domicile
Livraison
(en pied de logement)
Non indiquée
1124.58 €
1124.58 €
port gratuit
En stock, livraison, reprise et raccordement sous 5 à 10 jours ouvrés
Service+ : Retour gratuit 30 jours - 3 ou 4 fois sans frais
Livraison
(à domicile avec reprise)
2 ans
Légale de conformité
1126.00 €
1126.00 €
port gratuit
Livré sous 4 à 5 semaines à domicile
Livraison
(en pied de logement)
2 ans
P.M.O.D
1145.00 €
1145.00 €
port gratuit
En stock
Livré sous 1 à 7 jours ouvrés dans la pièce de votre choix
Livraison
(avec installation et reprise)
2 ans
Garantie Darty
1238.00 €
1199.00 €
+ port 39.00 €
En stock
Livraison estimée sous 10 jours ouvrés à domicile
Livraison
(en pied de logement)
Constructeur/Marque
1286.94 €
1336.94 €
- réduc. 50.00 €
port gratuit
Code promotionnel : PRINTEMPS50 
En stock
Livraison estimée sous 10 jours ouvrés à domicile
Livraison
(en pied de logement)
Constructeur/Marque
1298.00 €
1348.00 €
- réduc. 50.00 €
port gratuit
Code promotionnel : PRINTEMPS50 

Avis et Notes du BOSCH WKD28543FR

Electromenager Compare
?
Aucun avis n'a encore
été déposé sur le site
DÉPOSER UN AVIS
SITES MARCHANDS
?
Aucun avis n'a été relevé
chez les marchands partenaires.
Avis des utilisateurs Electromenager Compare pour le BOSCH WKD28543FR
Aucun avis n'a encore été déposé pour ce produit sur Electromenager COMPARE !
ODR BONS PLANS