Présentation du lave-linge BOSCH WKD28542FF
Photos non contractuelles
DERNIER PRIX RELEVÉ
2130.00 €
Il n'y a actuellement aucune offre de nos marchands référencés sur ce produit.
À retenir du lave-linge séchant BOSCH WKD28542FF
- Lave-linge séchant encastrable
- Chargement frontal (Hublot)
- Capacités de 7 kg (lavage) / 4 kg (séchage)
- Vitesse d'essorage max de 1400 tr/min
- Technologie : AutoDry
- Confort : Fin différée 24h
- Niveau sonore max : 72 dB (ancien) / A | 72 dB (nouveau)
- Classe énergie : B (ancienne) / E (nouvelle)
Fiche Technique Electromenager-Compare* du BOSCH WKD28542FF
Introduction du lave-linge séchant BOSCH WKD28542FF
Désignation :
BOSCH WKD28542FF (WKD 28542 FF)
Date de sortie (approx.) :
Septembre 2020
Pose, chargement, tambour, essorage du lave-linge séchant BOSCH WKD28542FF
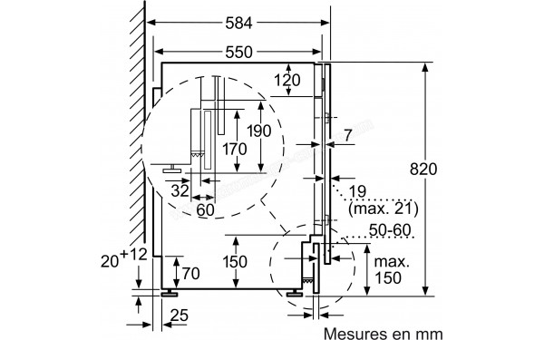
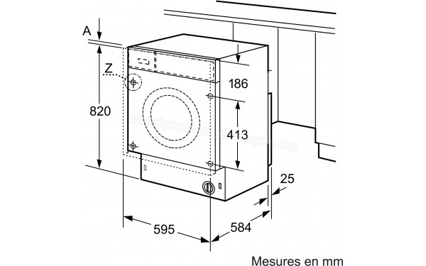
Type de pose :
Encastrable (Habillage de porte non fourni)
Flexibilité du Top :
Le 'top' n'est pas fourni
Pieds :
Appareil avec pieds ajustables
Compléments d'informations :
Plinthe ajustable en hauteur / profondeur : 16.5 / 6.5 cm
Pieds arrières réglables à l'avant par système à cardan
Type de chargement :
Frontal
Type d'ouverture :
Hublot
Accès immédiat (tant que le lave-linge l'autorise)
Position des charnières : à gauche
Volume du tambour :
52 Litres
Vitesse d'essorage :
Entre 600 et 1400 tr/min (rpm)
Essorage à vitesse variable (manuellement) : 600 / 800 / 1000 / 1200 / 1400 tr/min (rpm)
Autres informations
tambour et cuve :
Matériau principal du tambour : Inox
Matériau principal de la cuve : Plastique
Lavage et programmes du lave-linge séchant BOSCH WKD28542FF
Variation de température :
Oui (thermostat variable manuellement)
Autres fonctionnalités :
Température réglable : Froid / 20° / 30° / 40° / 60° / 90°C
Programmes textiles :
Coton • Délicat / soie • Laine • Synthétiques • Textiles sport
Programme éco. :
Eco 40-60
Programmes rapides :
Express 15 min • Mix rapide
Programmes spéciaux :
AllergiePlus • Mix Silence
Programmes cycles :
Essorage / vidange • Rinçage / essorage
Séchage et programmes du lave-linge séchant BOSCH WKD28542FF
Programmes spéciaux :
Rinçage Peluches (Nettoyage cuve) • Séchage délicat • Séchage intensif
Options de séchage :
Niveau de séchage (Prêt à repasser / Prêt à ranger / Extra sec) • Temps de séchage (2h40 max.)
Plus d'informations / options :
Programme Rinçage Peluches : Le tambour doit être vide.
Ce programme est conçu pour nettoyer le cycle de séchage de tout dépôt de peluches.
Fonctions de confort du lave-linge séchant BOSCH WKD28542FF
Fonctions de confort :
Fin différée de 1 h à 24 h
Afficheur :
Afficheur LCD/Digital
Afficheur disponible en Français
Indicateurs et voyants :
Liste des indicateurs disponibles :
- Indicateur de temps restant
- Indicateur de fin de cycle visuel
- Indicateur visuel de déroulement
Autres équipements et sécurités du lave-linge séchant BOSCH WKD28542FF
Bac lessive :
3 compartiments • Amovible
Certificats de conformités :
CE, VDE
Dimensions et poids du lave-linge séchant BOSCH WKD28542FF
Dimensions déballé :
820 x 595 x 584 mm (HxLxP)
Long. câble alimentation :
220 cm
Performances et consommations (jusqu'en 2020) du lave-linge séchant BOSCH WKD28542FF
Coût annuel Lavage :
113.07 € (approximatif)
Coût annuel Lavage/Séchage :
349.85 € (approximatif)
• Classe énergie :
B (Lavage + Essorage + Séchage)
• Classe efficacité Lavage :
A
• Taux d'humidité résiduelle :
52%
• Lavage / An :
10400 Litres / an
• Lavage + Séchage :
90 Litres
• Lavage + Séchage annuelle :
18000 Litres / an
Consommations électriques :
• Lavage coton général :
1.35 kWh
• Lavage / An :
270 kWh / an
• Lavage + Séchage :
5.4 kWh (durée : 435 min)
• Lavage + Séchage annuelle :
1080 kWh / an
• Lavage :
52 dB(A) re 1 pW
• Essorage :
72 dB(A) re 1 pW
• Séchage :
56 dB(A) re 1 pW
Performances et consommations (depuis 2021) du lave-linge séchant BOSCH WKD28542FF
Coût Lavage pour 100 cycles :
38.47 € (approximatif)
Coût Lavage/Séchage pour 100 cycles :
96.44 € (approximatif)
• Classe énergie Lavage/Essorage :
E (Indice : 89.8)
• Classe énergie avec Séchage :
E (Indice : 82)
• Classe efficacité Essorage :
B
• Taux d'humidité résiduelle :
48%
• Indice efficacité Lavage :
1.04
• Électrique (lavage) :
77 kWh / 100 Cycles
• Électrique (avec séchage) :
266 kWh / 100 Cycles
• Eau (lavage) :
44 Litres / 1 Cycle
• Eau (avec séchage) :
68 Litres / 1 Cycle
• Lavage et séchage :
5 h 30 min
Classe d'émission sonore :
A
Niveau sonore en essorage :
72 dB(A) re 1 pW
Informations :
A savoir pour ces mesures depuis 2021 :
- Toutes les mesures sont désormais basées sur l'utilisation d'un programme dit "eco 40-60" (ou équivalent)
- Les consommations électriques et d'eau utilisent le même programme, mais sont des moyennes pondérées de combinaisons de charges pleines et partielles.
Autres informations sur la consommation du lave-linge séchant BOSCH WKD28542FF
Puissance maximale :
2300 W
Conso. en veille (laissé sur marche) :
1 W
Conso. pendant le mode différé :
4 W
Conso. en mode arrêt (off) :
0.5 W
Informations électriques :
220-240 V • 50 Hz • 10 A
Informations diverses du lave-linge séchant BOSCH WKD28542FF
Couleurs :
Châssis : Blanc
Bandeau : Blanc
Hublot : Blanc
Référence (EAN et/ou UPC) :
WKD28542FF (4242005237241)
Présentation du lave-linge séchant BOSCH WKD28542FF par le constructeur/marque
* Attention : Les informations présentes sur cette fiche sont compilées par l'équipe Electromenager-Compare à partir des informations qui sont mises à sa disposition et sont données à titre strictement indicatif.
Elles ne sont donc pas exhaustives et ne se substituent en aucun cas aux informations techniques du constructeur.
Il appartient à l'internaute de se référer au site du constructeur/marque ou de contacter un marchand référencé vendant le produit avant tout achat ou pour une plus ample information.
Veuillez également noter que certaines fonctionnalités peuvent être accessibles après une mise à jour proposée par le fabricant.
Si vous constatez une erreur dans cette fiche, n'hésitez pas à nous la signaler en cliquant sur le lien ci-dessous afin que nous puissions prendre en compte vos observations qui pourraient servir à la communauté.
Marchands et Prix* pour le BOSCH WKD28542FF
Ci-après, une liste d'offres destinées à être comparées et triées, par défaut, sur le prix TFC.
Ces offres et les informations affichées sont proposées exclusivement par les marchands référencés à titre payant et ne représentent pas toutes les offres du marché.
NOTE : Chaque lien est "rémunéré" si vous achetez quelque chose chez le marchand. C'est la contrepartie du travail qui vous est fourni gratuitement sur notre site.
Il n'y a actuellement aucune offre de nos marchands référencés sur ce produit.
Dernier prix relevé : 2130.00 €
* Attention : pour des raisons techniques, Electromenager-Compare ne peut pas garantir, en temps réel, l'exactitude des prix et des informations affichées. Les prix et la disponibilité des produits sont exacts à la date et à l'heure indiquées et peuvent changer à tout moment.
Le prix et les informations de disponibilités, affichés sur le site du marchand concerné au moment de l'achat, s'appliquent à l'achat de ce produit.
N'hésitez pas à nous signaler toute erreur en cliquant sur le lien ci-dessous afin que nous puissions prendre en compte vos observations qui pourraient servir à la communauté.
Avis et Notes du BOSCH WKD28542FF
été déposé sur le site
chez les marchands partenaires.